Logika dioda atau Logika dioda–resistor adalah sebuah sirkuit digital yang menggunakan dioda untuk membentuk gerbang logika. Hanya gerbang logika takmembalik yang dapat dibuat, jadi ini bukanlah keluarga logikan yang sempurna. Karena tidak memberikan penguatan, taraf keluaran selalu lebih rendah dari taraf masukan, sehingga hanya sedikit gerbang yang dapat dideretkan. Logika dioda murni tidak pernah digunakan secara luas karena ini tidak memiliki kelebihan disamping kesederhanaannya.
Tinjauan umum
Sebuah gerbang logika Boole seharusnya berperan sebagai sumber tegangan, dan menyediakan salah satu dari dua taraf tegangan untuk mewakili hasil logika Boole. Gerbang dioda–resistor bekerja dengan menggunakan dioda untuk menggerakan salah satu taraf, dan jika semua dioda mati, memungkinkan resistor untuk menggerakan keluaran. Resistor selalu hidup, tetapi dioda manapun yang berperan sebagai sumber tegangan akan mengambil alih fungsi resistor.
Logika takmemperbaiki
Logika digital bercirikan perbaikan sinyal. Betul dan salah atau 1 dan 0 diwakili oleh dua taraf tegangan tertentu. Jika masukan logika digital dekat dengan taraf tertentu, keluaran akan jauh lebih dekat ataupun sama persis dengan taraf yang diinginkan. Gerbang mungkin diintegrasikan dalam jumlah besar karena setiap gerbang cenderung mengurangi desah masukan. Dioda dan resistor tidak dapat mengikangkan desah, dan dioda selalu menambahkan desah. Pertemuan p-n pada dioda belum menghantar sebelum tegangan mencapai harga tertentu, biasanya 0,6V. Perbedaan tegangan ini ditambahkan pada keluaran taraf rendah dan dikurangkan pada keluaran taraf tinggi. Banyaknya gerbang yang dapat dideretkan bergantung pada perbedaan antara taraf keluaran rendah dan tinggi. Tidak seperti keluarga logika sebenarnya, gerbang dioda–resistor menggunakan masukan sebagai sumber tegangan untuk menggerakan keluaran. Sumber tegangan lainnya berasal dari resistor. Untuk beroperasi dengan baik, masukan harus merupakan sumber tegangan yang lebih baik daripada resistor. Jika sumber yang lemah disambungkan pada masukan, tegangan pada dioda tidak mencukupi untuk mengambil alih tegangan resistor.
Tanpa pembalikan
Dioda idealnya meluluskan tegangan masukan langsung ke keluaran ketika dihidupkan. Satu-satunya cara untuk mendapatkan keluaran yang berlawanan dengan masukan adalah dengan menggantikan semua dioda dengan resistor.
Pensakelaran arus
Salah satu kelebihan dioda daripada transistor adalah kemampuannya menangani arus besar. Jika tegangan diabaikan, dioda sangat baik untuk membuat gerbang OR untuk berbagai sumber arus.
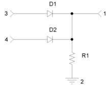
Konstruksi gerbang OR
Gerbang OR dioda
Untuk membuat gerbang OR dengan n masukan logika, komponen yang diperlukan adalah:
- n dioda.
- sebuah resistor dengan harga yang lebih tinggi dari impedansi keluaran rangkaian masukan.
n + 2 sambungan listrik, (ground dihitung). Sirkuit dari gerbang dua masukan diperlihatkan berlawanan. Katoda dari setiap dioda disambungkan ke keluaran pada sambungan 1. Sebuah resistor menyambungkan sambungan 1 ke sambungan 2 (ground), dan sambungan-sambungan yang tersisa adalah masukan-masukan. Ketika logika 1 muncul pada anoda salah satu dioda, ini memanjar maju dioda, membuatnya menghantar. Masukan lalu dapat menginduksikan arus ke keluaran melalui dioda, untuk membuat tegangan keluaran dekat ke logika 1. Jika logika 0 muncul pada anoda seluruh dioda, semuanya dipanjar terbalik dan resistor menggerakkan sambungan 1 menuju rendah.
jenis jenis dioda




0 komentar:
Posting Komentar